Oracle8i SQL Reference
Release 2 (8.1.6)

A76989-01

Library

Product

Contents

Index

Prev Up Next

SQL Statements (continued), 3 of 17


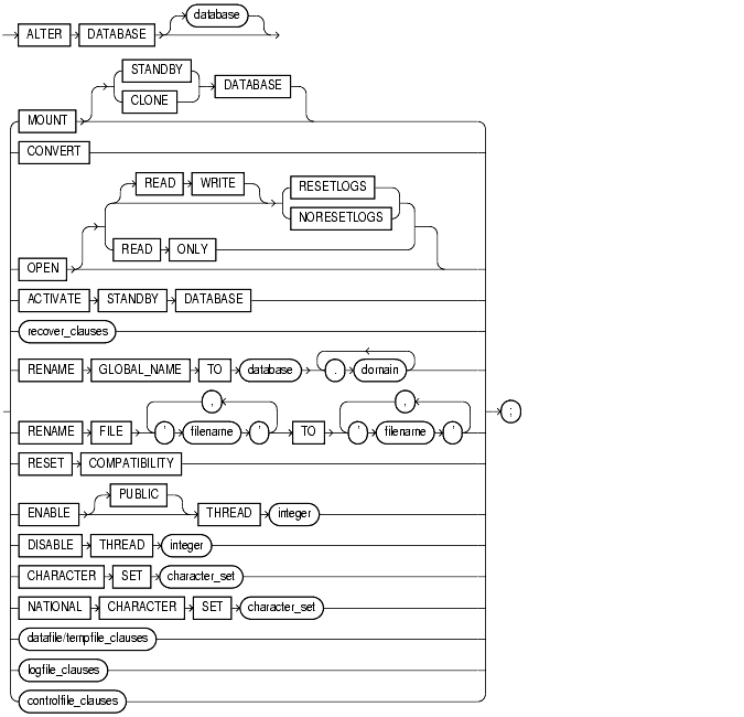
ALTER DATABASE

Syntax


recover_clauses::=


general_recovery_clause::=


managed_recovery_clause::=


datafile/tempfile_clauses::=


filespec: See "filespec".

controlfile_clauses::=


logfile_clauses::=


logfile_descriptor::=


autoextend_clause::=


maxsize_clause::=


parallel_clause::=


Purpose

To modify, maintain, or recover an existing database.

See Also:

 

Prerequisites

You must have ALTER DATABASE system privilege.

To specify the RECOVER clause, you must also have the OSDBA role enabled.

Keywords and Parameters

database 

identifies the database to be altered. The database name can contain only ASCII characters. If you omit database, Oracle alters the database identified by the value of the initialization parameter DB_NAME. You can alter only the database whose control files are specified by the initialization parameter CONTROL_FILES. The database identifier is not related to the Net8 database specification.  

You can use the following clauses only when the database is not mounted by your instance:  

MOUNT 

mounts the database.  

 

STANDBY DATABASE 

mounts the standby database.

See Also: Oracle8i Standby Database Concepts and Administration. 

 

CLONE DATABASE 

mounts the clone database.

See Also: Oracle8i Backup and Recovery Guide. 

CONVERT 

completes the conversion of the Oracle7 data dictionary. After you use this clause, the Oracle7 data dictionary no longer exists in the Oracle database. Use this clause only when you are migrating to Oracle8i.

See Also: Oracle8i Migration

ACTIVATE STANDBY DATABASE 

changes the state of a standby database to an active database.

See Also: Oracle8i Standby Database Concepts and Administration. 

OPEN 

opens the database, making it available for normal use. You must mount the database before you can open it. You must activate a standby database before you can open it. 

 

READ ONLY 

restricts users to read-only transactions, preventing them from generating redo logs. You can use this clause to make a standby database available for queries even while archive logs are being copied from the primary database site. 

 

 

Restrictions:

  • You cannot open a database READ ONLY if it is currently opened READ WRITE by another instance.

  • You cannot open a database READ ONLY if it requires recovery.

  • You cannot take tablespaces offline while the database is open READ ONLY. However, you can take datafiles offline and online, and you can recover offline datafiles and tablespaces while the database is open READ ONLY.

 

 

READ WRITE 

opens the database in read-write mode, allowing users to generate redo logs. This is the default. 

 

RESETLOGS 

resets the current log sequence number to 1 and discards any redo information that was not applied during recovery, ensuring that it will never be applied. This effectively discards all changes that are in the redo log, but not in the database.

You must specify RESETLOGS to open the database after performing media recovery with an incomplete recovery using the RECOVER clause or with a backup control file. After opening the database with this clause, you should perform a complete database backup.  

 

NORESETLOGS 

leaves the log sequence number and redo log files in their current state. 

 

Restriction: You can specify RESETLOGS and NORESETLOGS only after performing incomplete media recovery or complete media recovery with a backup control file. In any other case, Oracle uses the NORESETLOGS automatically.  

You can use any of the following clauses when your instance has the database mounted, open or closed, and the files involved are not in use:  

general_recovery_clause 

lets you design media recovery for the database or standby database, or for specified tablespaces or files.

See Also: Oracle8i Backup and Recovery Guide for more information on media recovery. 

 

Note: If you do not have special media requirements, Oracle Corporation recommends that you use the SQL*Plus RECOVER statement.

See Also: SQL*Plus User's Guide and Reference

 

Restrictions:

  • You can recover the entire database only when the database is closed.

  • Your instance must have the database mounted in exclusive mode.

  • You can recover tablespaces or datafiles when the database is open or closed, provided that the tablespaces or datafiles to be recovered are offline.

  • You cannot perform media recovery if you are connected to Oracle through the multi-threaded server architecture.

 

AUTOMATIC 

automatically generates the name of the next archived redo log file needed to continue the recovery operation. If the LOG_ARCHIVE_DEST_n parameters are defined, Oracle scans those that are valid and enabled for the first local destination. It uses that destination in conjunction with LOG_ARCHIVE_FORMAT to generate the target redo log filename. If the LOG_ARCHIVE_DEST_n parameters are not defined, Oracle uses the value of the LOG_ARCHIVE_DEST parameter instead.

If the resulting file is found, Oracle applies the redo contained in that file. If the file is not found, Oracle prompts you for a filename, displaying the generated filename as a suggestion.  

 

If you specify neither AUTOMATIC nor LOGFILE, Oracle prompts you for a filename, displaying the generated filename as a suggestion. You can then accept the generated filename or replace it with a fully qualified filename. If you know the archived filename differs from what Oracle would generate, you can save time by using the LOGFILE clause. 

FROM 'location' 

specifies the location from which the archived redo log file group is read. The value of location must be a fully specified file location following the conventions of your operating system. If you omit this parameter, Oracle assumes the archived redo log file group is in the location specified by the initialization parameter LOG_ARCHIVE_DEST or LOG_ARCHIVE_DEST_1

STANDBY DATABASE 

recovers the standby database using the control file and archived redo log files copied from the primary database. The standby database must be mounted but not open. 

DATABASE 

recovers the entire database. This is the default. You can use this clause only when the database is closed.  

 

Note: This clause recovers only online datafiles. 

 

UNTIL 

specifies the duration of the recovery operation.  

 

 

  • CANCEL performs cancel-based recovery. This clause recovers the database until you issue the ALTER DATABASE RECOVER statement with the RECOVER CANCEL clause.

 

 

 

  • TIME performs time-based recovery. This parameter recovers the database to the time specified by the date. The date must be a character literal in the format 'YYYY-MM-DD:HH24:MI:SS'.

 

 

 

  • CHANGE performs change-based recovery. This parameter recovers the database to a transaction-consistent state immediately before the system change number (SCN) specified by integer.

 

 

USING BACKUP CONTROLFILE 

specifies that a backup control file is being used instead of the current control file. 

TABLESPACE 

recovers only the specified tablespaces. You can use this clause if the database is open or closed, provided the tablespaces to be recovered are offline. 

DATAFILE 

recovers the specified datafiles. You can use this clause when the database is open or closed, provided the datafiles to be recovered are offline. 

STANDBY TABLESPACE | DATAFILE 

reconstructs a lost or damaged datafile or tablespace in the standby database using archived redo log files copied from the primary database and a control file.  

 

UNTIL [CONSISTENT WITH] CONTROLFILE 

specifies that the recovery of an old standby datafile or tablespace uses the current standby database control file. However, any redo in advance of the standby controlfile will not be applied. The keywords CONSISTENT WITH are optional and are provided for semantic clarity. 

LOGFILE 

continues media recovery by applying the specified redo log file. 

CONTINUE 

continues multi-instance recovery after it has been interrupted to disable a thread. 

CONTINUE DEFAULT 

continues recovery using the redo log file that Oracle would automatically generate if no other logfile were specified. This clause is equivalent to specifying AUTOMATIC, except that Oracle does not prompt for a filename. 

CANCEL 

terminates cancel-based recovery.  

managed_recovery_clause 

specifies automated standby recovery mode. This mode assumes that the automated standby database is an active component of an overall standby database architecture. A primary database actively archives its redo log files to the standby site. As these archived redo logs arrive at the standby site, they become available for use by a managed standby recovery operation. Automated standby recovery is restricted to media recovery.

See Also: Oracle8i Backup and Recovery Guide for more information on the parameters of this clause.

Restrictions: The same restrictions apply as are listed under general_recovery_clause

TIMEOUT integer 

specifies in minutes the wait period of the managed recovery operation. The recovery process waits for integer minutes for a requested archived log redo to be available for writing to the automated standby database. If the redo log file does not become available within that time, the recovery process terminates with an error message. You can then issue the statement again to return to automated standby recovery mode. 

 

If you do not specify this clause, the database remains in automated standby recovery mode until you reissue the statement with the RECOVER CANCEL clause or until instance shutdown or failure. 

CANCEL 

terminates the managed recovery operation after applying all the redo in the current archived redo file. 

CANCEL IMMEDIATE 

terminates the managed recovery operation after applying all the redo in the current archived redo file or after the next redo log file read, whichever comes first.

Restriction: This clause cannot be issued from the same session that issued the RECOVER MANAGED STANDBY DATABASE statement. 

parallel_clause 

specifies whether the recovery of media will be parallelized. For additional information, see the Notes to the parallel_clause of "CREATE TABLE"

 

NOPARALLEL 

specifies serial execution. This is the default. 

 

PARALLEL  

causes Oracle to select a degree of parallelism equal to the number of CPUs available on all participating instances times the value of the PARALLEL_THREADS_PER_CPU initialization parameter. 

 

PARALLEL integer 

specifies the degree of parallelism, which is the number of parallel threads used in the parallel operation. Each parallel thread may use one or two parallel execution processes. Normally Oracle calculates the optimum degree of parallelism, so it is not necessary for you to specify integer

RENAME GLOBAL_NAME 

changes the global name of the database. The database is the new database name and can be as long as eight bytes. The optional domain specifies where the database is effectively located in the network hierarchy.

See Also: Oracle8i Distributed Database Systems for more information on global names. 

 

Note: Renaming your database does not change global references to your database from existing database links, synonyms, and stored procedures and functions on remote databases. Changing such references is the responsibility of the administrator of the remote databases. 

RENAME FILE 

renames datafiles, tempfiles, or redo log file members. This clause renames only files in the control file. It does not actually rename them on your operating system. You must specify each filename using the conventions for filenames on your operating system before specifying this clause. 

RESET COMPATIBILITY 

marks the database to be reset to an earlier version of Oracle when the database is next restarted.  

 

Note: RESET COMPATIBILITY works only if you have successfully disabled Oracle features that affect backward compatibility.

See Also: Oracle8i Migration for more information on downgrading to an earlier version of Oracle. 

You can use the following clauses only when your instance has the database open:  

ENABLE THREAD 

in a parallel server, enables the specified thread of redo log file groups. The thread must have at least two redo log file groups before you can enable it.  

 

PUBLIC 

makes the enabled thread available to any instance that does not explicitly request a specific thread with the initialization parameter THREAD. If you omit PUBLIC, the thread is available only to the instance that explicitly requests it with the initialization parameter THREAD.  

DISABLE THREAD 

disables the specified thread, making it unavailable to all instances. You cannot disable a thread if an instance using it has the database mounted.  

See Also: Oracle8i Designing and Tuning for Performance for more information on enabling and disabling threads. 

CHARACTER SET

NATIONAL CHARACTER SET  

CHARACTER SET changes the character set the database uses to store data. NATIONAL CHARACTER SET changes the national character set used to store data in columns specifically defined as NCHAR, NCLOB, or NVARCHAR2. Specify character_set without quotation marks. 

 

WARNING: You cannot roll back an ALTER DATABASE CHARACTER SET or ALTER DATABASE NATIONAL CHARACTER SET statement. Therefore, you should perform a full backup before issuing either of these statements. 

 

Restrictions:

  • You must have SYSDBA system privilege, and you must start up the database in restricted mode (for example, with the SQL*Plus STARTUP RESTRICT command).

  • The current character set must be a strict subset of the character set to which you change. That is, each character represented by a codepoint value in the source character set must be represented by the same codepoint value in the target character set. For a list of valid character sets, see Oracle8i National Language Support Guide.

 

datafile/tempfile_clauses 

let you modify datafiles and tempfiles. 

You can use any of the following clauses when your instance has the database mounted, open or closed, and the files involved are not in use:  

CREATE DATAFILE 

creates a new empty datafile in place of an old one. You can use this clause to re-create a datafile that was lost with no backup. The 'filename' must identify a file that is or was once part of the database. The filespec specifies the name and size of the new datafile. If you omit the AS clause, Oracle creates the new file with the name and size as the file specified by 'filename'. 

 

During recovery, all archived redo logs written to since the original datafile was created must be applied to the new, empty version of the lost datafile. 

 

Oracle creates the new file in the same state as the old file when it was created. You must perform media recovery on the new file to return it to the state of the old file at the time it was lost.  

 

Restriction: You cannot create a new file based on the first datafile of the SYSTEM tablespace. 

DATAFILE 

affects your database files as follows: 

 

ONLINE 

brings the datafile online.  

 

OFFLINE 

takes the datafile offline. If the database is open, you must perform media recovery on the datafile before bringing it back online, because a checkpoint is not performed on the datafile before it is taken offline. 

 

 

DROP takes a datafile offline when the database is in NOARCHIVELOG mode. 

 

RESIZE 

attempts to increase or decrease the size of the datafile to the specified absolute size in bytes. Use K or M to specify this size in kilobytes or megabytes. There is no default, so you must specify a size.

If sufficient disk space is not available for the increased size, or if the file contains data beyond the specified decreased size, Oracle returns an error. 

 

autoextend_clause 

enables or disables the automatic extension of a datafile. If you do not specify this clause, datafiles are not automatically extended. 

 

 

OFF disables autoextend if it is turned on. NEXT and MAXSIZE are set to zero. Values for NEXT and MAXSIZE must be respecified in further ALTER DATABASE AUTOEXTEND statements. 

 

 

ON enables autoextend. 

 

 

NEXT specifies in bytes the size of the next increment of disk space to be automatically allocated to the datafile when more extents are required. Use K or M to specify this size in kilobytes or megabytes. The default is one data block. 

 

 

MAXSIZE specifies the maximum disk space allowed for automatic extension of the datafile. 

 

 

UNLIMITED sets no limit on allocating disk space to the datafile. 

 

END BACKUP  

avoids media recovery on database startup after an online tablespace backup was interrupted by a system failure or instance failure or SHUTDOWN ABORT

 

WARNING: Do not use ALTER TABLESPACE ... END BACKUP if you have restored any of the files affected from a backup. Media recovery is fully described in Oracle8i Backup and Recovery Guide. 

TEMPFILE 

Lets you resize your temporary datafile or specify the autoextend_clause, with the same effect as with a permanent datafile.

Restriction: You cannot specify TEMPFILE unless the database is open. 

 

DROP 

drops tempfile from the database. The tablespace remains. 

logfile_clauses 

lets you add, drop, or modify log files. 

ARCHIVELOG 

specifies that the contents of a redo log file group must be archived before the group can be reused. This mode prepares for the possibility of media recovery. Use this clause only after shutting down your instance normally or immediately with no errors and then restarting it, mounting the database in parallel server disabled mode.  

NOARCHIVELOG 

specifies that the contents of a redo log file group need not be archived so that the group can be reused. This mode does not prepare for recovery after media failure.  

Use the ARCHIVELOG clause and NOARCHIVELOG clause only if your instance has the database mounted in parallel server disabled mode, but not open. 

ADD LOGFILE 

adds one or more redo log file groups to the specified thread, making them available to the instance assigned the thread.  

 

THREAD integer 

is applicable only if you are using Oracle with the Parallel Server option in parallel mode. integer is the thread number. The number of threads you can create is limited by the value of the MAXINSTANCES parameter specified in the CREATE DATABASE statement.

If you omit THREAD, the redo log file group is added to the thread assigned to your instance.  

 

GROUP integer 

uniquely identifies the redo log file group among all groups in all threads and can range from 1 to the MAXLOGFILES value. You cannot add multiple redo log file groups having the same GROUP value. If you omit this parameter, Oracle generates its value automatically. You can examine the GROUP value for a redo log file group through the dynamic performance view V$LOG.  

 

filespec 

Each filespec specifies a redo log file group containing one or more members, or copies. See the syntax description of filespec in "filespec".  

ADD LOGFILE MEMBER 

adds new members to existing redo log file groups. Each new member is specified by 'filename'. If the file already exists, it must be the same size as the other group members, and you must specify REUSE. If the file does not exist, Oracle creates a file of the correct size. You cannot add a member to a group if all of the group's members have been lost through media failure.  

 

You can specify an existing redo log file group in one of these ways:  

 

GROUP integer 

Specify the value of the GROUP parameter that identifies the redo log file group.  

 

list of filenames 

List all members of the redo log file group. You must fully specify each filename according to the conventions of your operating system.  

DROP LOGFILE 

drops all members of a redo log file group. Specify a redo log file group as indicated for the ADD LOGFILE MEMBER clause.

  • To drop the current log file group, you must first issue an ALTER SYSTEM SWITCH LOGFILE statement. See "ALTER SYSTEM".

  • You cannot drop a redo log file group if it needs archiving.

  • You cannot drop a redo log file group if doing so would cause the redo thread to contain less than two redo log file groups.

 

DROP LOGFILE MEMBER 

drops one or more redo log file members. Each 'filename' must fully specify a member using the conventions for filenames on your operating system.

  • To drop a log file in the current log, you must first issue an ALTER SYSTEM SWITCH LOGFILE statement. See "ALTER SYSTEM".

  • You cannot use this clause to drop all members of a redo log file group that contains valid data. To perform this operation, use the DROP LOGFILE clause.

 

CLEAR LOGFILE 

reinitializes an online redo log, optionally without archiving the redo log. CLEAR LOGFILE is similar to adding and dropping a redo log, except that the statement may be issued even if there are only two logs for the thread and also may be issued for the current redo log of a closed thread. 

 

UNARCHIVED  

You must specify UNARCHIVED if you want to reuse a redo log that was not archived. 

 

 

WARNING: Specifying UNARCHIVED makes backups unusable if the redo log is needed for recovery. 

 

Do not use CLEAR LOGFILE to clear a log needed for media recovery. If it is necessary to clear a log containing redo after the database checkpoint, you must first perform incomplete media recovery. The current redo log of an open thread can be cleared. The current log of a closed thread can be cleared by switching logs in the closed thread. 

 

If the CLEAR LOGFILE statement is interrupted by a system or instance failure, then the database may hang. If this occurs, reissue the statement after the database is restarted. If the failure occurred because of I/O errors accessing one member of a log group, then that member can be dropped and other members added. 

 

UNRECOVERABLE DATAFILE 

You must specify UNRECOVERABLE DATAFILE if you have taken the datafile offline with the database in ARCHIVELOG mode (that is, you specified ALTER DATABSE ... DATAFILE OFFLINE without the DROP keyword), and if the unarchived log to be cleared is needed to recover the datafile before bringing it back online. In this case, you must drop the datafile and the entire tablespace once the CLEAR LOGFILE statement completes. 

controlfile_clauses 

 

 

CREATE STANDBY CONTROLFILE 

creates a control file to be used to maintain a standby database. If the file already exists, you must specify REUSE.

See Also: Oracle8i Standby Database Concepts and Administration. 

BACKUP CONTROLFILE 

backs up the current control file. 

 

TO 'filename

specifies the file to which the control file is backed up. You must fully specify the filename using the conventions for your operating system. If the specified file already exists, you must specify REUSE.  

 

TO TRACE 

writes SQL statements to the database's trace file rather than making a physical backup of the control file. The SQL statements can start up the database, re-create the control file, and recover and open the database appropriately, based on the created control file. 

 

 

You can copy the statements from the trace file into a script file, edit the statements as necessary, and use the database if all copies of the control file are lost (or to change the size of the control file). 

 

 

  • RESETLOGS specifies that the SQL statement written to the trace file for starting the database is ALTER DATABASE OPEN RESETLOGS.

 

 

 

  • NORESETLOGS specifies that the SQL statement written to the trace file for starting the database is ALTER DATABASE OPEN NORESETLOGS.

 

Examples

READ ONLY / READ WRITE Example

The first statement below opens the database in read-only mode. The second statement returns the database to read-write mode and clears the online redo logs:

ALTER DATABASE OPEN READ ONLY;

ALTER DATABASE OPEN READ WRITE RESETLOGS;
PARALLEL Example

The following statement performs tablespace recovery using parallel recovery processes:

ALTER DATABASE
   RECOVER TABLESPACE binky
   PARALLEL;
Redo Log File Group Example

The following statement adds a redo log file group with two members and identifies it with a GROUP parameter value of 3:

ALTER DATABASE stocks
  ADD LOGFILE GROUP 3 
    ('diska:log3.log' ,  
     'diskb:log3.log') SIZE 50K; 
Redo Log File Group Member Example

The following statement adds a member to the redo log file group added in the previous example:

ALTER DATABASE stocks  
   ADD LOGFILE MEMBER 'diskc:log3.log'  
   TO GROUP 3; 
Dropping a Log File Member

The following statement drops the redo log file member added in the previous example:

ALTER DATABASE stocks  
    DROP LOGFILE MEMBER 'diskc:log3.log'; 
Renaming a Log File Member

The following statement renames a redo log file member:

ALTER DATABASE stocks  
    RENAME FILE 'diskb:log3.log' TO 'diskd:log3.log'; 

The above statement only changes the member of the redo log group from one file to another. The statement does not actually change the name of the file 'DISKB:LOG3.LOG' to 'DISKD:LOG3.LOG'. You must perform this operation through your operating system.

Dropping All Log File Group Members

The following statement drops all members of the redo log file group 3:

ALTER DATABASE stocks DROP LOGFILE GROUP 3; 
Adding a Redo Log File Group

The following statement adds a redo log file group containing three members to thread 5 (in an Oracle Parallel Server environment) and assigns it a GROUP parameter value of 4:

ALTER DATABASE stocks 
    ADD LOGFILE THREAD 5 GROUP 4  
        ('diska:log4.log', 
        'diskb:log4:log', 
        'diskc:log4.log' ); 
Disabling a Parallel Server Thread

The following statement disables thread 5 in a parallel server:

ALTER DATABASE stocks  
    DISABLE THREAD 5; 
Enabling a Parallel Server Thread

The following statement enables thread 5 in a parallel server, making it available to any Oracle instance that does not explicitly request a specific thread:

ALTER DATABASE stocks  
    ENABLE PUBLIC THREAD 5; 
Creating a New Datafile

The following statement creates a new datafile 'DISK2:DB1.DAT' based on the file 'DISK1:DB1.DAT':

ALTER DATABASE 
    CREATE DATAFILE 'disk1:db1.dat' AS 'disk2:db1.dat'; 
Changing the Global Database Name

The following statement changes the global name of the database and includes both the database name and domain:

ALTER DATABASE  
    RENAME GLOBAL_NAME TO sales.australia.acme.com; 
Character Set Example

The following statements change the database character set and national character set to the WE8ISO8859P1 character set:

ALTER DATABASE db1 CHARACTER SET WE8ISO8859P1;
ALTER DATABASE db1 NATIONAL CHARACTER SET WE8ISO8859P1;

The database name is optional, and the character set name is specified without quotation marks.

Resizing a Datafile

The following statement attempts to change the size of datafile 'DISK1:DB1.DAT':

ALTER DATABASE  
    DATAFILE 'disk1:db1.dat' RESIZE 10 M;
Clearing a Log File

The following statement clears a log file:

ALTER DATABASE  
    CLEAR LOGFILE 'disk3:log.dbf';
Database Recovery Examples

The following statement performs complete recovery of the entire database, letting Oracle generate the name of the next archived redo log file needed:

ALTER DATABASE 
  RECOVER AUTOMATIC DATABASE; 

The following statement explicitly names a redo log file for Oracle to apply:

ALTER DATABASE 
    RECOVER LOGFILE 'diska:arch0006.arc'; 

The following statement performs time-based recovery of the database:

ALTER DATABASE 
    RECOVER AUTOMATIC UNTIL TIME '1998-10-27:14:00:00'; 

Oracle recovers the database until 2:00 pm on October 27, 1998.

The following statement recovers the tablespace USER5:

ALTER DATABASE 
    RECOVER TABLESPACE user5;

The following statement recovers the standby datafile /FINANCE/STBS_21.f, using the corresponding datafile in the original standby database, plus all relevant archived logs and the current standby database control file:

ALTER DATABASE  
   RECOVER STANDBY DATAFILE '/finance/stbs_21.f' 
   UNTIL CONTROLFILE;
Managed Standby Database Examples

The following statement recovers the standby database in automated standby recovery mode:

ALTER DATABASE 
   RECOVER MANAGED STANDBY DATABASE;

The following statement puts the database in automated standby recovery mode. The managed recovery process will wait up to 60 minutes for the next archive log:

ALTER DATABASE 
   RECOVER MANAGED STANDBY DATABASE TIMEOUT 60;

If each subsequent log arrives within 60 minutes of the last log, recovery continues indefinitely or until manually terminated.

The following statement terminates the managed recovery operation:

ALTER DATABASE 
   RECOVER MANAGED STANDBY DATABASE CANCEL IMMEDIATE;

The managed recovery operation terminates before the next group of redo is read 
from the current redo log file. Media recovery ends in the "middle" of applying redo 
from the current redo log file.


Prev Up Next
Oracle
Copyright © 1999 Oracle Corporation.

All Rights Reserved.

Library

Product

Contents

Index