Oracle8i Application Developer's Guide - Large Objects (LOBs)
Release 2 (8.1.6)

A76940-01

Library

Product

Contents

Index

Prev Up Next

External LOBs (BFILEs), 2 of 41


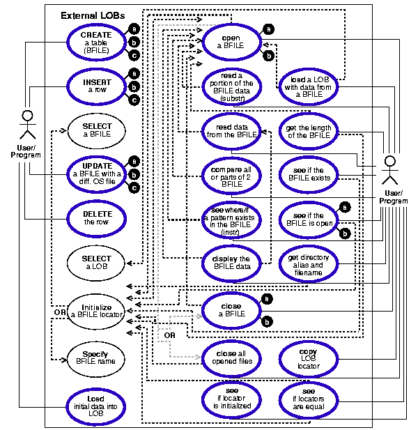
Use Case Model: External LOBs (BFILEs)

Table 11-1, "Use Case Model: External LOBs (BFILEs)", indicates with + where examples are provided for specific use cases and in which programmatic environment (see Chapter 3, "LOB Programmatic Environments" for a complete discussion and references to related manuals).

Programmatic environment abbreviations used in the following table, are as follows:

Table 11-1 Use Case Model: External LOBs (BFILEs)

Use Case and Page    Programmatic Environment Examples 
  P  O  B  C  V  J 

Three Ways to Create a Table Containing a BFILE  

 

 

 

 

 

 

CREATE a Table Containing One or More BFILE Columns  

S 

S 

S 

S 

S 

S 

CREATE a Table of an Object Type with a BFILE Attribute

 

S 

S 

S 

S 

S 

S 

CREATE a Table with a Nested Table Containing a BFILE

 

S 

S 

S 

S 

S 

S 

Three Ways to Insert a Row Containing a BFILE  

 

 

 

 

 

 

INSERT a Row Using BFILENAME()  

S 

+ 

+ 

+ 

+ 

+ 

INSERT a BFILE Row by Selecting a BFILE From Another Table  

S 

S 

S 

S 

S 

S 

INSERT Row With BFILE by Initializing BFILE Locator  

+ 

+ 

+ 

+ 

+ 

+ 

Load Data Into External LOB (BFILE)  

S 

S 

S 

S 

S 

S 

Load a LOB with BFILE Data  

+ 

+ 

+ 

+ 

+ 

+ 

Two Ways to Open a BFILE  

 

 

 

 

 

 

Open a BFILE with FILEOPEN  

+ 

+ 

 

 

 

+ 

Open a BFILE with OPEN  

+ 

+ 

+ 

+ 

+ 

+ 

Two Ways to See If a BFILE is Open  

 

 

 

 

 

 

See If the BFILE is Open with FILEISOPEN  

+ 

+ 

 

 

 

+ 

See If a BFILE is Open Using ISOPEN  

+ 

+ 

+ 

+ 

+ 

+ 

Display BFILE Data

+ 

+ 

+ 

+ 

+ 

+ 

Read Data from a BFILE

+ 

+ 

+ 

+ 

+ 

+ 

Read a Portion of BFILE Data (substr)  

+ 

 

+ 

+ 

+ 

+ 

Compare All or Parts of Two BFILES  

+ 

 

+ 

+ 

+ 

+ 

See If a Pattern Exists (instr) in the BFILE  

+ 

 

+ 

+ 

 

+ 

See If the BFILE Exists 

+ 

+ 

+ 

+ 

+ 

+ 

Get the Length of a BFILE  

+ 

+ 

+ 

+ 

+ 

+ 

Copy a LOB Locator for a BFILE  

+ 

+ 

+ 

+ 

 

+ 

See If a LOB Locator for a BFILE Is Initialized  

 

+ 

 

+ 

 

 

See If One LOB Locator for a BFILE Is Equal to Another  

 

+ 

 

+ 

 

+ 

Get DIRECTORY Alias and Filename

+ 

+ 

+ 

+ 

+ 

+ 

Three Ways to Update a Row Containing a BFILE  

 

 

 

 

 

 

UPDATE a BFILE Using BFILENAME()  

S 

S 

S 

S 

S 

S 

UPDATE a BFILE by Selecting a BFILE From Another Table  

S 

S 

S 

S 

S 

S 

UPDATE a BFILE by Initializing a BFILE Locator  

+ 

+ 

+ 

+ 

+ 

+ 

Two Ways to Close a BFILE  

 

 

 

 

 

 

Close a BFILE with FILECLOSE

+ 

+ 

 

 

+ 

+ 

Close a BFILE with CLOSE  

+ 

+ 

+ 

+ 

+ 

+ 

Close All Open BFILEs  

+ 

+ 

+ 

+ 

+ 

+ 

DELETE the Row of a Table Containing a BFILE  

S 

S 

S 

S 

S 

S 

Figure 11-1 Use Case Model Diagram: External LOBs (BFILEs)



Prev Up Next
Oracle
Copyright © 1999 Oracle Corporation.

All Rights Reserved.

Library

Product

Contents

Index